Wyszukiwarka
- Brelok zbliżeniowy RFID BS-02 125kHz
- Karta zbliżeniowa Unique RFID 125kHz
- Brelok zbliżeniowy RFID BS-04 125kHz
- Brelok zbliżeniowy do czytników RFID 125 kHz
- Elektrozaczep standardowy Scot ES-S12AC/DC PROFI, 5lat gwarancji
- Wideodomofon furtka + brama breloki pamięć 7"
- Brelok zbliżeniowy RFID Mifare 1k, 13,56 MHz
- Wideodomofon Wi-Fi z czytnikiem kluczy i szyfratorem. Otwiera furtkę i bramę.
- Scot elektrozaczep rygiel 12V ES-S12AC/DC Profi, 5 lat gw.
- Wideodomofon Eura Neptun VDP-20A3 kolor 7'' otwieranie furtki i bramy
- Wideodomofon Eura VDP-18A3 Mars kolor 4,3'' otwieranie furtki i bramy
- Domofon Stacja bramowa Commax DR-201A
Producenci
Instrukcje:
Cenniki do pobrania
Kenwei wideomonitor głośnomówiący KW-E706FC/W200-B
dodaj do przechowalni
Opis
KENWEI KW-E706FC/W200-B Wideomonitor głośnomówiący z pamięcią i dotykowymi przyciskami.
Monitor wideofonu KW-E706FC/W200 to jeden z najpopularniejszych modeli w ofercie Kenwei - łączy on w sobie rozbudowaną paletę funkcji przy zachowaniu relatywnie niskiej ceny. Produkt wyróżnia się nowoczesnym, kolorowym interfejsem graficznym oraz funkcją pamięci W200, która pozwala na ręczny i automatyczny zapis zdjęć i krótkich filmów na karcie microSD. E706FC/W200 wyposażony jest we wbudowany przekaźnik, który w łatwy sposób umożliwia sterowanie dodatkowym obiektem (np. bramą automatyczną, oświetleniem itp.)
Cechy produktu
- monitor kolorowy - 7''TFT-LCD
- dotykowa klawiatura
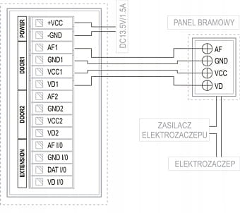
- możliwość bezpośredniego sterowania ryglem elektromagnetycznym służącym do otwierania drzwi
- możliwość prowadzenia rozmowy pomiędzy modułem zewnętrznym (panel zewnętrzny z kamerą) i wewnętrznym (monitor wideodomofonu)
- możliwość obserwacji wizyjnej osoby odwiedzającej
- możliwość podłączenia do dwóch paneli zewnętrznych (4 przy użyciu KW-516FD)
- dwa dedykowane wejścia wideo dla kamer CCTV
- wbudowany przekaźnik do obsługi bramy automatycznej (przycisk funkcyjny dowolnego przeznaczenia)
- możliwość rozbudowy o 7 dodatkowych monitorów lub 3 unifony
- możliwość wyłączania poszczególnych paneli bramowych
- menu ekranowe w języku polskim (pełna regulacja parametrów obrazu)
- łączność interkomowa i przekazanie rozmowy między unifonem, a monitorem
- 7 melodii sygnału wywołania, płynna regulacja głośności
- funkcja całkowitego wyciszenia dzwonka
- funkcja pamięci z obsługą kart microSD
- zapis kolorowych obrazów i krótkich filmów
- możliwość wyboru automatycznego wykonania zdjęcia, serii 3 zdjęć bądź nagrania filmu o długości 10s lub 30s (filmy z dźwiękiem)
- funkcja aktywowania trybu automatycznego wykonywania zdjęć za pomocą zewnętrznego urządzenia (np. z centrali alarmowej)
- wejście na dodatkowy przycisk dzwonka
- obsługa kart SD do 16GB (zapis max. 9000 obrazów lub 1000 filmów)
- obudowa w kolorze czarnym
- zasilanie 13,5V DC, dołączony zasilacz
- montaż: wiszący, natynkowy, wymiary: 185 x 140 x 27 mm
- tworzy zestaw wideofonowy z 4-przewodowym panelem bramowym KENWEI
Dodatkowe funkcje przy zastosowaniu modułu GSM KW-401G
- przekierowanie rozmów na dowolnie zdefiniowany numer telefonu
- konfiguracja zdalna przez wiadomości SMS
- możliwość zdalnego otworzenia wejścia
- zapis ostatnich pięciu zdalnych otwarć
- funkcja zdalnego otwierania bez naliczania opłat za połączenie
- umożliwia ustawienie czasu zwarcia przekaźnika w panelu zewnętrznym (1-9s)
- współpracuje z kartami SIM dowolnego operatora (w standardach GSM 900/1800)
