Wyszukiwarka
- Brelok zbliżeniowy RFID BS-02 125kHz
- Karta zbliżeniowa Unique RFID 125kHz
- Brelok zbliżeniowy RFID BS-04 125kHz
- Brelok zbliżeniowy do czytników RFID 125 kHz
- Elektrozaczep standardowy Scot ES-S12AC/DC PROFI, 5lat gwarancji
- Wideodomofon furtka + brama breloki pamięć 7"
- Brelok zbliżeniowy RFID Mifare 1k, 13,56 MHz
- Wideodomofon Wi-Fi z czytnikiem kluczy i szyfratorem. Otwiera furtkę i bramę.
- Scot elektrozaczep rygiel 12V ES-S12AC/DC Profi, 5 lat gw.
- Wideodomofon Eura Neptun VDP-20A3 kolor 7'' otwieranie furtki i bramy
- Wideodomofon Eura VDP-18A3 Mars kolor 4,3'' otwieranie furtki i bramy
- Domofon Stacja bramowa Commax DR-201A
Producenci
Instrukcje:
Cenniki do pobrania
Kenwei KW-E705FC/W100-W wideodomofon
dodaj do przechowalni
Opis
Wideodomofon KW-E705FC/W100-W KENWEI
Monitory wideodomofonu z serii KW-E705FC to rodzina produktów wyposażonych w słuchawkę do prowadzenia rozmowy - produkt ten spełni w szczególności wymagania osób, którym zależy na dyskrecji bądź zachowaniu większej ciszy w okolicy monitora. Ponadto model ten oprócz podstawowych funkcji pozwala na rozubudowę o 3 kolejne monitory/unifony i jednocześnie umożliwia podgląd z dwóch kamer CCTV. Wersja W100 posiada dodatkowo funkcję pamięci pozwalającą na automatyczny zapis do 100 zdjęć z osobami dzwoniącymi.
Cechy produktu
- - monitor kolorowy - 7''TFT-LCD
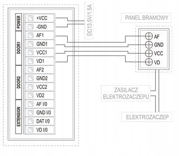
- - możliwość bezpośredniego sterowania ryglem elektromagnetycznym służącym do otwierania drzwi
- - możliwość prowadzenia rozmowy pomiędzy modułem zewnętrznym (panel zewnętrzny z kamerą) i wewnętrznym (monitor wideodomofonu)
- - możliwość obserwacji wizyjnej osoby odwiedzającej
- - możliwość podglądu pola obserwacji kamery (90 sekundowy podgląd obrazu z kamery przy wywołaniu panela bramowego)
- - możliwość podłączenia do dwóch paneli zewnętrznych
- - możliwość podłączenia 3 dodatkowych monitorów / unifonów wywoływanych z jednego przycisku panela zewnętrznego
- - menu ekranowe w języku polskim (pełna regulacja parametrów obrazu)
- - łączność interkomowa i przekazanie rozmowy między unifonem, a monitorem
- - 10 melodii sygnału wywołania, dwa poziomy głośności
- - funkcja całkowitego wyciszenia dzwonka
- - wbudowana pamięć, możliwość zapisu do 100 zdjęć
- - obudowa w kolorze białym
- - montaż natynkowy
- - tworzy zestaw wideofonowy z 4-przewodowym panelem bramowym KENWEI
