Wyszukiwarka
- Brelok zbliżeniowy RFID BS-02 125kHz
- Karta zbliżeniowa Unique RFID 125kHz
- Brelok zbliżeniowy RFID BS-04 125kHz
- Brelok zbliżeniowy do czytników RFID 125 kHz
- Elektrozaczep standardowy Scot ES-S12AC/DC PROFI, 5lat gwarancji
- Wideodomofon furtka + brama breloki pamięć 7"
- Brelok zbliżeniowy RFID Mifare 1k, 13,56 MHz
- Wideodomofon Wi-Fi z czytnikiem kluczy i szyfratorem. Otwiera furtkę i bramę.
- Scot elektrozaczep rygiel 12V ES-S12AC/DC Profi, 5 lat gw.
- Wideodomofon Eura Neptun VDP-20A3 kolor 7'' otwieranie furtki i bramy
- Wideodomofon Eura VDP-18A3 Mars kolor 4,3'' otwieranie furtki i bramy
- Domofon Stacja bramowa Commax DR-201A
Producenci
Instrukcje:
Cenniki do pobrania
Kenwei kamera 4-rodzinna KW-1380MC-4B wideofon
dodaj do przechowalni
Opis
Panel zewnętrzny KW-1380MC-4B
Moduł zewnętrzny KW-1380MC-4B
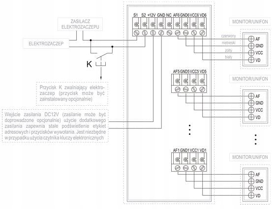
Moduły zewnętrzne z rodziny KW-1380 to seria paneli montowanych natynkowo wyposażonych w obiektyw z regulowanym kątem wychylenia (około 20 stopni w każdym kierunku). Rodzina KW-1380 występuje w wersjach z jednym, dwoma lub większą ilością przycisków dzwonka (oznaczenia "1B", "2B"... ). Występuje również wersja z czytnikiem kluczy (breloków) RFID (modele z literą "E" w symbolu).
KW-1380MC-4B to czteroprzyciskowy model wyposażony w kamerę o rozdzielczości (420TVL).
Cechy produktu
- - możliwość prowadzenia rozmowy pomiędzy modułami zewnętrznym (panel bramowy z kamerą) i wewnętrznym (monitor)
- - przetwornik 1/4" CCD kolorowy, 420 linii
- - kąt widzenia 76° / 65°, regulacja kąta widzenia poziom / pion
- - 4 przyciski wywołania
- - zewnętrzny panel wykonany ze stopów aluminiowo-magnezowych
- - montaż natynkowy, wymiary: 296 x 115 x 25,5 mm
- tworzy zestaw wideofonowy z monitorem / monitorami KENWEI
