Wyszukiwarka
- Brelok zbliżeniowy RFID BS-02 125kHz
- Karta zbliżeniowa Unique RFID 125kHz
- Brelok zbliżeniowy RFID BS-04 125kHz
- Brelok zbliżeniowy do czytników RFID 125 kHz
- Elektrozaczep standardowy Scot ES-S12AC/DC PROFI, 5lat gwarancji
- Wideodomofon furtka + brama breloki pamięć 7"
- Brelok zbliżeniowy RFID Mifare 1k, 13,56 MHz
- Wideodomofon Wi-Fi z czytnikiem kluczy i szyfratorem. Otwiera furtkę i bramę.
- Scot elektrozaczep rygiel 12V ES-S12AC/DC Profi, 5 lat gw.
- Wideodomofon Eura Neptun VDP-20A3 kolor 7'' otwieranie furtki i bramy
- Wideodomofon Eura VDP-18A3 Mars kolor 4,3'' otwieranie furtki i bramy
- Domofon Stacja bramowa Commax DR-201A
Producenci
Instrukcje:
Cenniki do pobrania
Kenwei wideomonitor KW-E351C
dodaj do przechowalni
Opis
Monitor Kenwei KW-E351C
Monitor wideodomofonu KW-E351C to eleganckie urządzenie przeznaczone dla osób szukających produktu kompaktowego w eleganckiej stylistyce z niekoniecznie dużym wyświetlaczem. 3,5 calowy wyświetlacz jest w zupełności wystarczający aby rozpoznać osobę stojącą przy wejściu. KW-E351C posiada dotykowe podświetlane przyciski i może być rozbudowany o słuchawkę KW- 1121 lub KW-E1011.
Cechy produktu
- monitor kolorowy 3,5'', dotykowe podświetlane przyciski
- możliwość bezpośredniego sterowania ryglem elektromagnetycznym służącym do otwierania drzwi
- możliwość prowadzenia rozmowy pomiędzy modułem zewnętrznym (panel zewnętrzny z kamerą) i wewnętrznym (monitor wideodomofonu)
- możliwość obserwacji wizyjnej osoby odwiedzającej
- możliwość podglądu pola obserwacji kamery (90 sekundowy podgląd obrazu z kamery przy wywołaniu panela bramowego)
- możliwość podłączenia dwóch paneli zewnętrznych
- możliwość podłączenia dodatkowego unifonu KW-1121 lub KW-E1011
- funkcja interkomu i przekazania rozmowy pomiędzy urządzeniami wywoływanymi z jednego przycisku panela bramowego
- tworzy zestaw wideofonowy z 4-przewodowym panelem bramowym KENWEI
Dane techniczne:
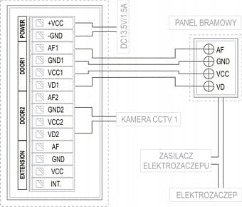
Schemat połączeń:
