Wyszukiwarka
- Brelok zbliżeniowy RFID BS-02 125kHz
- Karta zbliżeniowa Unique RFID 125kHz
- Brelok zbliżeniowy RFID BS-04 125kHz
- Brelok zbliżeniowy do czytników RFID 125 kHz
- Elektrozaczep standardowy Scot ES-S12AC/DC PROFI, 5lat gwarancji
- Wideodomofon furtka + brama breloki pamięć 7"
- Brelok zbliżeniowy RFID Mifare 1k, 13,56 MHz
- Wideodomofon Wi-Fi z czytnikiem kluczy i szyfratorem. Otwiera furtkę i bramę.
- Scot elektrozaczep rygiel 12V ES-S12AC/DC Profi, 5 lat gw.
- Wideodomofon Eura Neptun VDP-20A3 kolor 7'' otwieranie furtki i bramy
- Wideodomofon Eura VDP-18A3 Mars kolor 4,3'' otwieranie furtki i bramy
- Domofon Stacja bramowa Commax DR-201A
Producenci
Instrukcje:
Cenniki do pobrania
Panel bramowy S561A z czytnikiem kart zbliżeniowych
dodaj do przechowalni
Opis
S561A
Jednoabonentowa stacja bramowa z wbudowanym czytnikiem RFID. Stacje S561A to rozwiązanie dla osób, dla których wygoda i komfort użytkowania mają duże znaczenie. System sprawdza się doskonale w sytuacjach gdy udzielamy dostępu większej liczbie osób. Można samodzielnie kodować nowe karty użytkowników. Wbudowany czytnik RFiD pozwala na otwieranie elektrozaczepu przy pomocy karty, breloka lub naklejki zbliżeniowej. W modelu S561A możemy zaprogramować do 1000 kart użytkowników. Stacja bramowa została wyposażona w kolorową kamerę z możliwością regulacji w poziomie i w pionie w zakresie kilkunastu stopni. Podświetlana klawiatura i szyld.
WSPÓŁPRACUJE ZE WSZYSTKIMI MONITORAMI VIDOS i COMPETITION
FUNKCJE:
- 1 abonentowa stacja bramowa
- Przetwornik obrazu CCD kolor
- Kąt widzenia obiektywu: ok. 87°
- Rozdzielczość: 600 linii
- Obiektyw 3,6mm
- Regulacja obiektywu: w pionie i poziomie +/- 10 stopni
- Podświetlenie: 6 diod LED IR (podczerwień)
- Sterowanie elektrozaczepem z regulacją czasu otwarcia 1-99sek.
- Podświetlany przycisk wybierania i szyld na nazwisko
- Wandaloodporny przedni panel ze stali szlachetnej
- Montaż podtynkowy lub natynkowy z osłoną D561B
- WBUDOWANY CZYTNIK RFID – UNIQUE 125KHz
- Pojemność czytnika – max 1000 kart
- Do programowania czytnika służy pilot PL12.
- W komplecie ze stacją jest karta MASTER umożliwjąca samodzielne dodawanie kart.
- Zasilanie kamery z monitora
- Zasilanie czytnika RFID z zewnętrznego zasilacza DC12-15V
- Wymiary: 120x250x51
- Wymiary puszki: 110x240x46
- Wyjście na dodatkowy przycisk zwalniania rygla
- *Możliwość wymiany obiektywu na 2,8 mm
Zalecany jest montaż panela tak, aby kamera znajdowała się na wysokości 150–170 cm od podłoża.
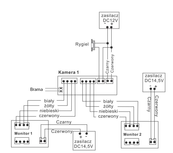
Przykładowe podłączenie dwóch monitorów i jednej kamery:
Uwaga nowość: przekierowanie połączeń z wideodomofonu Vidos na smartfon.
Do skorzystania z tej funkcji potrzebny jest panel zewnętrzny, monitor, bramka IP (model MS02-SD) oraz router podłączony do internetu.
Sterowanie Smartfonem MS02-SD
