Wyszukiwarka
- Brelok zbliżeniowy RFID BS-02 125kHz
- Karta zbliżeniowa Unique RFID 125kHz
- Brelok zbliżeniowy RFID BS-04 125kHz
- Brelok zbliżeniowy do czytników RFID 125 kHz
- Elektrozaczep standardowy Scot ES-S12AC/DC PROFI, 5lat gwarancji
- Wideodomofon furtka + brama breloki pamięć 7"
- Brelok zbliżeniowy RFID Mifare 1k, 13,56 MHz
- Wideodomofon Wi-Fi z czytnikiem kluczy i szyfratorem. Otwiera furtkę i bramę.
- Scot elektrozaczep rygiel 12V ES-S12AC/DC Profi, 5 lat gw.
- Wideodomofon Eura Neptun VDP-20A3 kolor 7'' otwieranie furtki i bramy
- Wideodomofon Eura VDP-18A3 Mars kolor 4,3'' otwieranie furtki i bramy
- Domofon Stacja bramowa Commax DR-201A
Producenci
Instrukcje:
Cenniki do pobrania
Zestaw Vidos S6B z dwoma monitorami M320B
dodaj do przechowalni
Opis
Wideodomofon Vidos dwa monitory 7" LCD + wąska kamera tylko 58 mm.
Zestaw Vidos: 1 x kamera S6B, 2 x monitor M320B bezsłuchawkowy 7" LCD + otwieranie furtki oraz bramy.
Skład zestawu:
- 1x kamera S6B
- 2x monitory M320 z zasilaczami na szynę DIN
- 2x zasilacz na szybę DIN
- instrukcja w języku polskim
Monitor Vidos M320
M320 jest bezsłuchawkowym monitorem z kolorowym wyświetlaczem 7", posiada możliwość regulacji jasności obrazu, kontrastu, umożliwia zwalnianie elektrozaczepu. Występuje w dwóch wersjach kolorystycznych obudowy czarnym oraz białym.
Grubość monitora to tylko 19 mm !! - najcieńszy na rynku monitor wideodomofonowy
Otwieranie furtki i bramy.
Właściwości:
- Ekran: 7" LCD
- monitor bezsłuchawkowy
- obsługa dwóch wejść
- Zasilanie: DC14-18V
- zasilacz na szynę DIN
- Wymiary: 160x240x18mm
- Instalacja 4 żyłowa + 2 żyły elektrozaczep
- Możliwość rozbudowy o dodatkowe monitory
- Sterowanie elektrozaczepem i bramą automatyczną
Parametry techniczne:
- Ekran:kolorowy PANORAMICZNY TFT LCD, o przekątnej 7"
- Rozdzielczość:800x600 linii
- System transmisji fonii:dwukierunkowy, bez modulacji
- Okablowanie: 4 przewody do kamery przy max 50m, ø0,5mm dla odległości > 50m 2 x 1mm + koncentryk 75 Ohm
- Sygnał wywołania:gong elektroniczny
- Sterowanie elektrozaczepem:max. 30V / 1A
- Zakres temperatur pracy:od 0° C do +40° C
- Montaż:ścienny
- Zasilanie: DC14,5V. Zasilacz na listwę DIN w komplecie.
- Wymiary (szer. x wys. x głęb.):245 x 160 x 18 mm
Kamera Vidos S6B
Jednoabonentowa kamera przeznaczona dla systemów jednorodzinnych.
S6B charakteryzuje się niewielkimi wymiarami co pozwala na zainstalowanie jej tam gdzie do dyspozycji mamy mało miejsca. ( szer. tylko 58 mm)
W stacji zainstalowano kolorową kamerę o ogniskowej 3,6 mm i kącie widzenia ok 87° podświetlaną diodami led.
Estetyczna obudowa wykonana została z utwardzanego stopu aluminium, dzięki czemu kamera jest odporna na niepożądane działania osób trzecich.
Właściwości:
- kamera kolorowa
- natynkowa
- obudowa wykonana z aluminium
- możliwość obserwacji w nocy (podświetlenie diodami świecącymi)
- instalacja 4-przewoda z monitorem;
- sterowanie otwarciem drzwi poprzez przekaźnik w kamerze
- kolor obudowy : czarny, złoty, srebrny
Parametry techniczne: Kamera S6B
- Przetwornik obrazu:kolor CCD 1/3,5″
- Rozdzielczość: 600 linii
- Minimalne oświetlenie:0,05 Lux
- Kąt widzenia kamery:87°
- Migawka:funkcja elektronicznej migawki (Electronic Auto Iris)
- Sygnał wyjściowy:zespolony sygnał wizyjny
- Okablowanie: 4 przewody do kamery przy max 50m, ø0,5mm
- dla odległości > 50m 2 x 1mm + koncentryk 75 Ohm
- Zakres temperatur pracy:od -20° C do +55° C
- Materiał obudowy:aluminium
- Obudowa:nadtynkowa
- Napięcie zasilania:14,5V (z monitora)
- Wymiary kamery58x135x39 mm
- IP 55
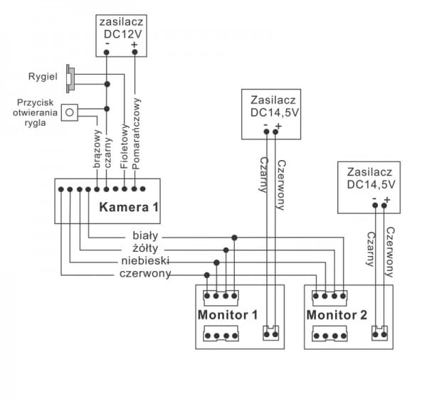
Schemat podłączenia:

