Wyszukiwarka
- Brelok zbliżeniowy RFID BS-02 125kHz
- Karta zbliżeniowa Unique RFID 125kHz
- Brelok zbliżeniowy RFID BS-04 125kHz
- Brelok zbliżeniowy do czytników RFID 125 kHz
- Elektrozaczep standardowy Scot ES-S12AC/DC PROFI, 5lat gwarancji
- Wideodomofon furtka + brama breloki pamięć 7"
- Brelok zbliżeniowy RFID Mifare 1k, 13,56 MHz
- Wideodomofon Wi-Fi z czytnikiem kluczy i szyfratorem. Otwiera furtkę i bramę.
- Scot elektrozaczep rygiel 12V ES-S12AC/DC Profi, 5 lat gw.
- Wideodomofon Eura Neptun VDP-20A3 kolor 7'' otwieranie furtki i bramy
- Wideodomofon Eura VDP-18A3 Mars kolor 4,3'' otwieranie furtki i bramy
- Domofon Stacja bramowa Commax DR-201A
Producenci
Instrukcje:
Cenniki do pobrania
Domofon dwurodzinny Elfon Mi2 AU1/3 , natynko
dodaj do przechowalni
Opis
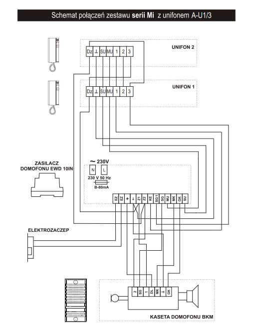
Zestaw domofonowy dwurodzinny ELFON M2 U1132
- W skład zestawu wchodzi:
- 1 szt. kaseta domofonu BKM MINI (wersja dwu przyciskowa)
- 2 szt. unifon 1132
- 1 szt. zasilacz domofonu na szynę DIN
Kaseta bramowa BKM-mini
Kaseta przystosowana jest do montażu natynkowego. Wykonana jest z udaroodpornego tworzywa ABS i pokryta utwardzanym termicznie lakierem proszkowym, co gwarantuje jej odporność na korozję i promienie UV. Zastosowana w niej elektronika zapewnia optymalną jakość pracy urządzeń w szerokim zakresie temperatur. Jej małe rozmiary (50x100x30mm) ułatwiają montaż na wąskich elementach ogrodzenia.
Zestawy Domofonowe serii M
W skład zestawów wchodzą podstawowe urządzenia pozwalające na zbudowanie typowej instalacji domofonowej, umożliwiającej porozumiewanie się pomiędzy abonentem "zewnętrznym" a "wewnętrznym" oraz otwarcie elektrozamka.
Unifon
Jest nowoczesnym i funkcjonalnym aparatem domofonowym, pozwalającym na prowadzenie rozmów z kasetą domofonową lub drugim aparatem. Jego podstawowym zastosowaniem są systemy domofonowe - analogowe i analogowo cyfrowe.
Istnieje możliwość podpięcia dodatkowych słuchawek (unifonów), max. 3 szt.
Zasilacz na szynę DIN
Zasilacz domofonu to serce całej instalacji domofonowej. Łączy elektrycznie wszystkie elementy, zapewniając im odpowiedni napięcie i sygnały. Zasilacz dostępny w zestawie znajduje się w obudowie EURO, przeznaczonej do instalacji na szynie w szafce elektrycznej. Ponadto wyposażony jest w ramkę zakrywającą zaciski przewodów. Pozwala to na bezpieczny montaż zasilacza bez dodatkowej obudowy.
Schemat podłączenia:
