Wyszukiwarka
- Brelok zbliżeniowy RFID BS-02 125kHz
- Karta zbliżeniowa Unique RFID 125kHz
- Brelok zbliżeniowy RFID BS-04 125kHz
- Brelok zbliżeniowy do czytników RFID 125 kHz
- Elektrozaczep standardowy Scot ES-S12AC/DC PROFI, 5lat gwarancji
- Wideodomofon furtka + brama breloki pamięć 7"
- Brelok zbliżeniowy RFID Mifare 1k, 13,56 MHz
- Wideodomofon Wi-Fi z czytnikiem kluczy i szyfratorem. Otwiera furtkę i bramę.
- Scot elektrozaczep rygiel 12V ES-S12AC/DC Profi, 5 lat gw.
- Wideodomofon Eura Neptun VDP-20A3 kolor 7'' otwieranie furtki i bramy
- Wideodomofon Eura VDP-18A3 Mars kolor 4,3'' otwieranie furtki i bramy
- Domofon Stacja bramowa Commax DR-201A
Producenci
Instrukcje:
Cenniki do pobrania
Wideodomofon Vidos dwa monitory LCD 7+wąska kamera
dodaj do przechowalni
Opis
Przedmiotem sprzedaży jest:
Wideodomofon dwa MONITORY 7" LCD + wąska kamera.
Zestaw VIDOS: 2 x monitor M320, 1 x kamera S6.
Wideodomofon bezsłuchawkowy 7" LCD + otwieranie furtki oraz bramy.
Monitor M320B
M320 jest bezsłuchawkowym monitorem z kolorowym wyświetlaczem 7", posiada możliwość regulacji jasności obrazu, kontrastu, umożliwia zwalnianie elektrozaczepu. Występuje w dwóch wersjach kolorystycznych obudowy czarnym oraz białym.
Otwieranie furtki i bramy.
Właściwości:
- Monitor głośnomówiący
- Ekran kolorowy 7″ panoramiczny TFT LCD 800×600
- Obsługa 2 stacji bramowych (lub 1 stacja+1 kamera CCTV)
- Sterowanie elektrozaczepem i bramą automatyczną
- Możliwość rozbudowy o dodatkowe 3 monitory lub unifony.
- Regulacja parametrów monitora (głośność, jasność i kolor)
- Kolor obudowy: CZARNY
- Przyciski ruchome
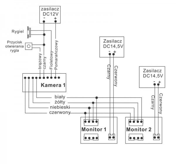
- Zasilanie: DC14,5V. Zasilacz na listwę DIN w komplecie.
- Wymiary: 245x160x18mm
- Okablowanie : 4 + 2 do rygla
- BRAK INTERKOMU!!!
- Grubość monitora to tylko 18 mm !! - najcieńszy na rynku monitor wideodomofonowy
Kamera S6B
Jednoabonentowa kamera przeznaczona dla systemów jednorodzinnych.
S6 charakteryzuje się niewielkimi wymiarami co pozwala na zainstalowanie jej tam gdzie do dyspozycji mamy mało miejsca. ( szer. tylko 58mm). Dostępna w trzech kolorach : czarny,srebrny,złoty
FUNKCJE:
- 1 abonentowa stacja bramowa
- Przetwornik obrazu 1/3 kolor
- Kąt widzenia obiektywu: ok. 87°
- Rozdzielczość: 600 linii
- Obiektyw 3,6 mm
- Podświetlenie: 4 diody LED IR
- Zasilanie: z monitora
- Obudowa: utwardzony stop aluminium
- Montaż: natynkowy
- Kolor obudowy : Srebrny
- Wymiary: 58x135x39mm
- DLA MODELI S6B / S6S / S6G DOSTĘPNA JEST PODSTAWKA DO MONTAŻU SKOŚNEGO
Schemat podłączenia:
Skład zestawu:
- jedna kamera S6
- dwa monitory M320 z zasilaczami na szynę DIN
- instrukcja w języku polskim
