Wyszukiwarka
- Brelok zbliżeniowy RFID BS-02 125kHz
- Karta zbliżeniowa Unique RFID 125kHz
- Brelok zbliżeniowy RFID BS-04 125kHz
- Brelok zbliżeniowy do czytników RFID 125 kHz
- Elektrozaczep standardowy Scot ES-S12AC/DC PROFI, 5lat gwarancji
- Wideodomofon furtka + brama breloki pamięć 7"
- Brelok zbliżeniowy RFID Mifare 1k, 13,56 MHz
- Wideodomofon Wi-Fi z czytnikiem kluczy i szyfratorem. Otwiera furtkę i bramę.
- Scot elektrozaczep rygiel 12V ES-S12AC/DC Profi, 5 lat gw.
- Wideodomofon Eura Neptun VDP-20A3 kolor 7'' otwieranie furtki i bramy
- Wideodomofon Eura VDP-18A3 Mars kolor 4,3'' otwieranie furtki i bramy
- Domofon Stacja bramowa Commax DR-201A
Producenci
Instrukcje:
Cenniki do pobrania
Wideodomofon Vidiline VIDI-MVDP-7SL-B WIFI
dodaj do przechowalni
Opis
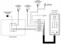
Zestaw wideodomofonowy IP z kolorowym monitorem 7". Monitor po podłączeniu do sieci internetowej pozwala na przekierowanie połączenia na urządzenia mobilne z zainstalowaną aplikacją mobilną. Panel zewnętrzny z szyfratorem oraz czytnikiem kart i breloków.
W zestawie:
panel zewnętrzny VidiLine VIDI-MVDP-D1-C – 1 szt;
monitor VidiLine VIDI-MVDP-7M-B - 1 szt;
zasilacz do monitora – 1 szt;
zasilacz do panelu zewnętrznego - 1 szt;
uchwyt do monitora – 1 szt
brelok zbliżeniowy – 2 szt;
instrukcja;
paragon lub faktura VAT.
* W skład nie wchodzi elektrozaczep i zasilacz do elektrozaczepu – do nabycia osobno.
Zestaw wideodomofonowy VidiLine VIDI-MVDP-7SL-B przeznaczony jest do użytku w domach jednorodzinnych. Steruje tylko 1 wyjściem, w przypadku sterowania elektrozaczepem konieczny jest dodatkowy zasilacz (brak w zestawie).
Wideodomofon został przystosowany do rozbudowy o dodatkową kamerę monitoringu CCTV w systemie PAL. Przełączanie obrazu między panelem zewnętrznym a dodatkową kamerą odbywa się za pomocą przycisku "Monitoring" umieszczonego na monitorze.
Monitor posiada moduł Wi-Fi, który umożliwia przekierowanie i rozmowy na smartfona, zdalne otwieranie furtki. Dodatkowo posiada także wejście na kartę MicroSD (do 32 Gb), która pozwala na zapis zdjęć z panela zewnętrznego na karcie pamięci (funkcja dostępna wyłącznie po wywołaniu z panela). Później mamy możliwość podglądu zapisanych plików na monitorze (poprzez przeglądarkę internetową).
Przy pomocy darmowej aplikacji MobileEyeDoor+ możliwe jest sterowanie wszystkimi funkcjami urządzenia (m.in. podgląd obrazu z kamery, otwieranie elektrozamka i in.). Jest ona dostępna do pobrania ze sklepu App Store (system iOS) i Google Play (Android).
Panel zewnętrzny z klawiaturą numeryczną.
Panel wideodomofonowy do montażu na zewnątrz budynku natynkowo i podtynkowo. Posiada moduł kamery z diodamy podczerwieni, co umożliwia bezproblemową pracę w warunkach nocnych. Urządzenie posiada wbudowany czytnik RFID oraz szyfrator, dzięki czemu otwarcie elektrozamka może odbyć się przy użyciu breloka RFID, karty lub kodu. Otwieranie zamka czy też prowadzenie rozmowy odbywa się bez konieczności wywołania ze strony panela wewnętrznego.
Parametry techniczne:
- Przetwornik kamery: 1/4 CMOS
- Kąt widzenia: 60 st.
- Rozdzielczość 1280 x 720p
- Pobór prądu: 300mA
- Napięcie zasilania 12V
- Temperatura pracy: -40~+50 C
- Wymiary: 205x95x30 (wys x szer x gł)
Monitor z 7-calowym kolorowym wyświetlaczem.
Monitor VidiLine VIDI-MVDP-7M-B posiada duży, kolorowy ekran LCD o przekątnej 7" oraz moduł Wi-Fi, który umożliwia zdalne otwieranie furtki. Atutem są też podświetlane przyciski dotykowe oraz wejście na kartę MicroSD (do 32 Gb).
Ten prosty, elegancki i nowoczesny, a zarazem dyskretny panel z ekranem o przekątnej 7 cali sprawdzi się idealnie w każdym mieszkaniu. Urządzenie wyróżnia się dzięki dużemu, kolorowemu ekranowi LCD, podświetlanym przyciskom dotykowym oraz slotowi na karty micro SD (do 32gb)- w celu zapisu zdjęć oraz filmów z kamery.
Możliwość podłączenia kamer analogowych CCTV
Wideodomofon został przystosowany do rozbudowy o dodatkowe kamery monitoringu CCTV w systemie PAL. Przełączanie obrazu między panelem zewnętrznym, a dodatkowymi kamerami odbywa się za pomocą przycisku "Monitoring" umieszczonego na monitorze.
Wbudowany slot micro SD
Monitor został wyposażony w slot na karty micro SD do 32 GB. Pozwala nam to na zapis nagrań z kamery CCTV lub zdjęć z panela zewnętrznego na karcie pamięci (funcje dostępne wyłącznie po wywołaniu z panela). Możliwość podglądu zapisanych plików na monitorze.
Otwieranie zamka na kilka sposobów.
Elektrozamek może zostać otwarty za pomocą:
- Breloków RFID (w zestawie)
- Kodu, który wprowadzamy przy pomocy wbudowanej klawiatury numerycznej
- Kart zbliżeniowych (brak w zestawie)

FAQ - Lista najczęściej zadawanych pytań.
1. Jaka jest minimalna prędkość Internetu, która zapewnia prawidłowe funkcjonowanie?
Do sterowania furtką lub bramą wjazdową wystarczy 8 Kbps. W celu zestawienia połączenia audio/video stabilne 256 Kbps. Do połączeń spoza sieci LAN (audio/video) zalecamy połączenie 3G.
2. Czy wideodomofon wymaga stałego IP oraz przekierowania portów na routerze ?
Nie.
3. Ile smartfonów jednocześnie obsługuje wideodomofon?
Max. 5 urządzeń. Z tym, że rozmowę audio/video w tym samym czasie można prowadzić tylko z jednego urządzenia.
4. Czy stacja bramowa dzwoni razem na monitor i urządzenia mobilne?
Nie, stacja bramowa dzwoni w pierwszej kolejności na monitor, gdy połączenie nie zostaje odebrane przekierowuje je na urządzenia mobilne.
5. Czy aplikacja obsługująca jest w języku polskim?
Tak, aplikacja w języku polskim.
6. Czy aplikacja obsługująca jest darmowa?
Tak.
7. Czy aplikacja posiada możliwość ustawienia regulacji głośności dzwonka? Czy głośność zależy od ustawień smartfona?
Ustawienia zależą od ustawień smartfona.

