Wyszukiwarka
- Brelok zbliżeniowy RFID BS-02 125kHz
- Karta zbliżeniowa Unique RFID 125kHz
- Brelok zbliżeniowy RFID BS-04 125kHz
- Brelok zbliżeniowy do czytników RFID 125 kHz
- Elektrozaczep standardowy Scot ES-S12AC/DC PROFI, 5lat gwarancji
- Wideodomofon furtka + brama breloki pamięć 7"
- Brelok zbliżeniowy RFID Mifare 1k, 13,56 MHz
- Wideodomofon Wi-Fi z czytnikiem kluczy i szyfratorem. Otwiera furtkę i bramę.
- Scot elektrozaczep rygiel 12V ES-S12AC/DC Profi, 5 lat gw.
- Wideodomofon Eura Neptun VDP-20A3 kolor 7'' otwieranie furtki i bramy
- Wideodomofon Eura VDP-18A3 Mars kolor 4,3'' otwieranie furtki i bramy
- Domofon Stacja bramowa Commax DR-201A
Producenci
Instrukcje:
Cenniki do pobrania
Wideodomofon Vidos S562D 2xM670 dwu rodzinny
dodaj do przechowalni
Opis
Zestaw wideodomofonowy dwurodzinny Vidos S562D 2x monitor M670
Skład zestawu:
jedna kamera podtynkowa z szyfratorem S562D
dwa monitory M670 (kolor obudowy biały lub czarny)
dwa zasilacze do monitorów na szynę DIN
Kamera Vidos S562D
Kamera kolorowa dwurodzinna marki Vidos. Wandaloodporna stacja bramowa z płytą czołową wykonaną ze stali nierdzewnej z wbudowanym SZYFRATOREM. Sterowanie elektrozaczepem. Regulowany kąt obiektywu kamery w pionie i poziomie. Podświetlany przycisk wywołania, montaż podtynkowy. Kamera z doświetleniem diodami umożliwia widzenie w nocy.
Kamera kolorowa
- wbudowany w kamerę zamek szyfrowy
- podświetlana klawiatura
- podtynkowa, natynkowo opcjonalnie przy użyciu osłony D561B
- obudowa wykonana ze stali nierdzewnej
- możliwość obserwacji w nocy (podświetlenie 6 diodami IR )
- instalacja 4-przewoda z monitorem + 2 żyły do rygla
- kąt widzenia ok 87°
- rozdzielczość: 600 linii
- obiektyw 3,6 mm
- regulacja obiektywu: w pionie i poziomie +/- 10 stopni
- wymiary (szer, wys) : 121 x 250
- sterowanie elektrozaczepem z regulacją czasu otwarcia 1-99sek.
- wymiary puszko podtynkowej (szer, wys, gł) : 245 x 110 x 49 mm
Możliwy jest montaż kamery natynkowo przy użyciu osłony D561B.
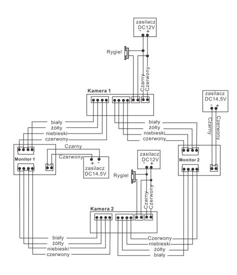
Poniżej schemat podłączenia dwóch kamer i dwóch monitorów:
Monitor Vidos M670
- Głośnomówiący, bezsłuchawkowy monitor wideodomofonowy
- Najpopularniejszy z modeli Vidos wyróżnia się wyjątkowym designem i funkcjonalnością.
- Monitor posiada 7″ kolorowy ekran panoramiczny TFT LCD.
- Przedni panel wykonany z wysokiej jakości tworzywa ‚nano glass’ zapewniającego nowoczeny wygląd i bezpieczeństwo.
- Zaprojektowany i wykonany z wielką precyzją i dbałością o detale.
- M670 posiada dotykowe, podświetlane klawisze sterujące.
- Obsługuje 2 stacje bramowe (2 stacje lub 1 stacja + kamera CCTV). Możliwy podgląd z kamery.
- Monitor wyposażony jest w funkcję interkomu i przekazywania rozmowy.
- System można rozbudować o dodatkowe 3 monitory lub unifony.
- Sterowanie elektrozaczepem i bramą automatyczną.
FUNKCJE:
- Monitor głośnomówiący
- Ekran kolorowy 7″ panoramiczny TFT LCD
- Dotykowy, podświetlany panel sterowania
- Obsługa 2 stacji bramowych (lub 1 stacja + 1 kamera CCTV)
- Sterowanie elektrozaczepem i brama automatyczną.
- Możliwość rozbudowy o dodatkowe 3 monitory lub unifony
- Interkom oraz przekazywanie rozmowy
- Regulacja parametrów monitora (głośność dzwonka,głośność rozmowy, jasność i kolor)
- Kolor obudowy: CZARNY lub BIAŁY
- Podgląd z możliwością włączenia dźwięku i otwarcia furtki
- Zasilanie: DC14,5V Zasilacz na listwę DIN w komplecie.
- Instalacja: 4 przewodowa
- Wymiary: 241x161x23mm.
NOWOŚĆ: przekierowywanie połączeń z wideodomofonu Vidos na smartfon.
Do skorzystania z tej funkcji potrzebny jest panel zewnętrzny, monitor, bramka IP (model MS02-SD) oraz router podłączony do internetu
