Wyszukiwarka
- Brelok zbliżeniowy RFID BS-02 125kHz
- Karta zbliżeniowa Unique RFID 125kHz
- Brelok zbliżeniowy RFID BS-04 125kHz
- Brelok zbliżeniowy do czytników RFID 125 kHz
- Elektrozaczep standardowy Scot ES-S12AC/DC PROFI, 5lat gwarancji
- Wideodomofon furtka + brama breloki pamięć 7"
- Brelok zbliżeniowy RFID Mifare 1k, 13,56 MHz
- Wideodomofon Wi-Fi z czytnikiem kluczy i szyfratorem. Otwiera furtkę i bramę.
- Scot elektrozaczep rygiel 12V ES-S12AC/DC Profi, 5 lat gw.
- Wideodomofon Eura Neptun VDP-20A3 kolor 7'' otwieranie furtki i bramy
- Wideodomofon Eura VDP-18A3 Mars kolor 4,3'' otwieranie furtki i bramy
- Domofon Stacja bramowa Commax DR-201A
Producenci
Instrukcje:
Cenniki do pobrania
Wideodomofon 3-rodzinny 7 cali czytnik kart RFID
dodaj do przechowalni
Opis
Zestaw wideodomofonowy kolorowy trzy rodzinny marki EURA.
W skład zestawu wchodzą:
- kamera VDA-93A3 - 3 przyciskowa z czytnikiem RFID,
- trzy monitory kolorowe z wyświetlaczem LCD 7" oraz funkcją otwierania furtki oraz bramy automatycznej,
Kaseta zewnętrzna VDA-93A3 dedykowana jest do wszystkich wideodomofonów pracujących w systemie Eura Connect.
Trójrodzinna kaseta zewnętrzna Eura VDA-93A3 wyposażona jest w 6 diód LED oraz czujnik zmierzchowy, co umożliwia dyskretny podgląd w nocy. Kasetę wyposażono w kamerę rejestrującą obraz w rozdzielczości 500 TVL z obiektywem o polu widzenia 60°. Wejście na posesje może być realizowane za pomocą breloków zbliżeniowych.
Kaseta zewnętrzna wykonana jest ze stopu aluminium co wraz z daszkiem ochronnym zapewnia jej odporność na niekorzystne warunki atmosferyczne. Przeznaczona do montażu natynkowego.

VDA-01A3 to monitor kolorowy z LCD 7". Zasilany jest napięciem stałym 12V z zasilacza będącego na wyposażeniu zestawu. Monitor posiada funkcję otwierania furtki oraz bramy automatycznej. Istnieje możliwość zasilania wideodomofonu zasilaczem 12V DC montowanego na szynie DIN (element wyposażenia dodatkowego). Kaseta zewnętrzna przystosowana jest do montażu natynkowego. Specjalny daszek ochronny zabezpiecza moduł zewnętrzny przed skutkami warunków atmosferycznych.
Charakterystyka zestawu:
- kolorowy wyświetlacz TFT LCD o przekątnej 7 cali,
- wysokiej jakości kolorowa kamera z przetwornikiem obrazu CCD 1/4",
- bezsłuchawkowy (głośnomówiący) moduł wewnętrzny,
- możliwość prowadzenia rozmowy pomiędzy modułami zewnętrznym i wewnętrznym,
- możliwość obserwacji osoby dzwoniącej i podglądu tego co dzieje się w polu obserwacji kamery,
- 16 melodii gongu do wyboru,
- bezpośrednie sterowanie ryglem elektromagnetycznym służącym do otwierania drzwi po wywołaniu z zewnątrz lub po wywołaniu funkcji podglądu na monitorze,
- dodatkowy przycisk otwierania bramy wjazdowej/garażowej na monitorze,
- płynna regulacja parametrów monitora (jasność, nasycenie kolorów, głośność),
- podświetlane przyciski funkcyjne,
- możliwość obserwacji w nocy dzięki zastosowaniu 6 diod LED, pracujących w podczerwieni,
- obsługa dwóch wejść,
- daszek ochronny w zestawie,
- możliwość rozbudowy zestawu o monitor VDA-20A3 i unifon ADA-30A3,
- prostota obsługi i montażu.
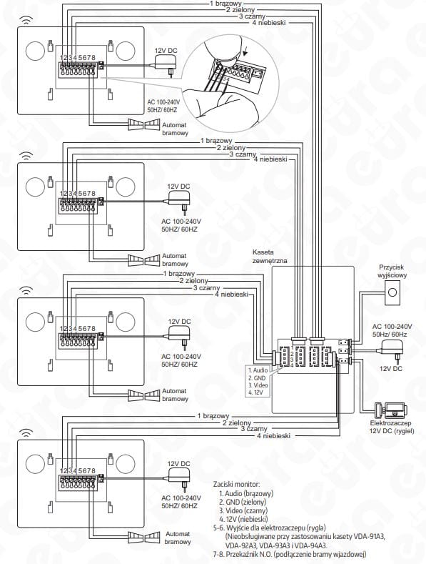
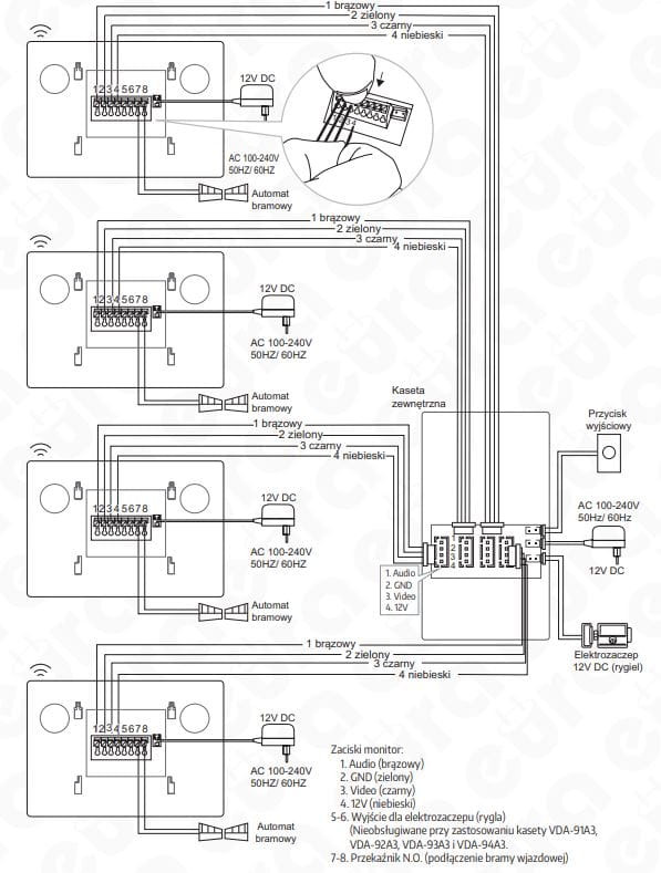
Schemat podłączenia:
