Wyszukiwarka
- Brelok zbliżeniowy RFID BS-02 125kHz
- Karta zbliżeniowa Unique RFID 125kHz
- Brelok zbliżeniowy RFID BS-04 125kHz
- Brelok zbliżeniowy do czytników RFID 125 kHz
- Elektrozaczep standardowy Scot ES-S12AC/DC PROFI, 5lat gwarancji
- Wideodomofon furtka + brama breloki pamięć 7"
- Brelok zbliżeniowy RFID Mifare 1k, 13,56 MHz
- Wideodomofon Wi-Fi z czytnikiem kluczy i szyfratorem. Otwiera furtkę i bramę.
- Scot elektrozaczep rygiel 12V ES-S12AC/DC Profi, 5 lat gw.
- Wideodomofon Eura Neptun VDP-20A3 kolor 7'' otwieranie furtki i bramy
- Wideodomofon Eura VDP-18A3 Mars kolor 4,3'' otwieranie furtki i bramy
- Domofon Stacja bramowa Commax DR-201A
Producenci
Instrukcje:
Cenniki do pobrania
VDA-21A3 Kamera Eura
dodaj do przechowalni
Opis
Kaseta zewnętrzna VDA-21A3 z serii Eura Connect dedykowana jest do wszystkich wideodomofonów pracujących w systemie Eura Connect.

Kaseta zewnętrzna VDA-21A3 z serii Eura Connect dedykowana jest do wszystkich wideodomofonów pracujących w systemie Eura Connect.
Jednorodzinna kaseta zewnętrzna z podświetlanym wizytownikiem wyposażona jest w 6 diod LED świecących na biało, co umożliwia dyskretny podgląd w nocy. Ponadto posiada możliwość regulacji położenia oka kamery, która zapewnia doskonałe parametry obrazu. Kaseta wykonana jest z aluminium co wraz z daszkiem ochronnym zapewnia jej odporność na niekorzystne warunki atmosferyczne.
Kaseta zewnętrzna VDA-21A3 jest odpowiednia do instalacji wideodomofonowych w małych budynkach mieszkalnych. Przeznaczona do montażu zarówno natynkowego jak i podtynkowego.
Specyfikacja techniczna:
- Napięcie zasilania: 12 V DC
- Parametry sygnału wideo: 1Vp-p 75 Ohm CCIR
- Ilość przewodów łączących: 4
- Ilość obsługiwanych lokali: 1
- Napięcie wyjściowe dla rygla elektromagnetycznego: 12 V DC
- Pobór mocy kasety zewnętrznej (czuwanie / praca): 0,06 W / 6 W
- Rozdzielczość obrazu: 700 TVL
- Kąt widzenia kamery w poziomie: 60°
- Typ przetwornika kamery: Kolor CMOS 1/4''
- Czas aktywacji rygla: 3 s
- Materiał obudowy: Aluminium
- Ilość wyjść przekaźnikowych: Brak
- Sposób montażu kasety zewn.: Natynkowy/Podtynkowy
- Regulacja położenia oka kamery: Tak
- Oświetlenie nocne: 6 diod LED (światło białe), z cz. zmierzchowym
- Czytnik zbliżeniowy: Nie
- Szyfrator: Nie
- Czytnik linii papilarnych: Nie
- Daszek ochronny: Tak
- Współczynnik ochrony: IP44
- Temperaturowy zakres pracy kasety: -18C ~ +45C
- Wymiary kasety zewn. (W x SZ x G): 200 x 112 x 50 mm
- Waga netto kasety: 700 g
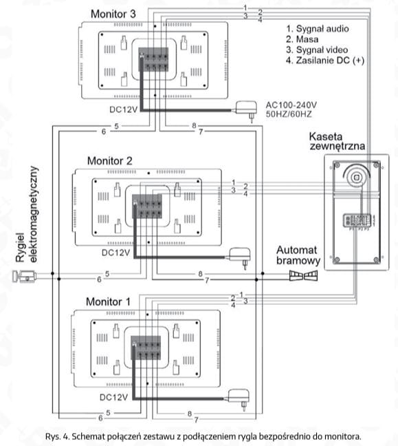
Schemat podłączenia kamery:

