Wyszukiwarka
- Brelok zbliżeniowy RFID BS-02 125kHz
- Karta zbliżeniowa Unique RFID 125kHz
- Brelok zbliżeniowy RFID BS-04 125kHz
- Brelok zbliżeniowy do czytników RFID 125 kHz
- Elektrozaczep standardowy Scot ES-S12AC/DC PROFI, 5lat gwarancji
- Wideodomofon furtka + brama breloki pamięć 7"
- Brelok zbliżeniowy RFID Mifare 1k, 13,56 MHz
- Wideodomofon Wi-Fi z czytnikiem kluczy i szyfratorem. Otwiera furtkę i bramę.
- Scot elektrozaczep rygiel 12V ES-S12AC/DC Profi, 5 lat gw.
- Wideodomofon Eura Neptun VDP-20A3 kolor 7'' otwieranie furtki i bramy
- Wideodomofon Eura VDP-18A3 Mars kolor 4,3'' otwieranie furtki i bramy
- Domofon Stacja bramowa Commax DR-201A
Producenci
Instrukcje:
Cenniki do pobrania
Videodomofon wideodomofon z dodatkową słuchawką
dodaj do przechowalni
Opis
WIDEODOMOFON NEPTUN VDP-20A3, monitor kolorowy 7'' z dodatkowym unifonem głośnomówiącym.
Zestaw otwiera furtkę oraz bramę z monitora i unifonu.
Zestaw videodomofonowy VDP-20A3 "Neptun" składa się z
- kamery zewnętrznej VDA-11A3,
- monitora 7" VDA-01A3,
- unifonu głośnomówiącego
- 2x zasilacz VZA-63A3,
- instrukcji obsługi w języku polskim,
Kaseta zewnętrzna przystosowana jest do montażu natynkowego. Specjalny daszek ochronny zabezpiecza moduł zewnętrzny przed skutkami warunków atmosferycznych.
Charakterystyka zestawu:
- kolorowy wyświetlacz TFT LCD o przekątnej 7 cali,
- wysokiej jakości kolorowa kamera z przetwornikiem obrazu CCD 1/4", rozdzielczość obrazu: 700 TVL
- bezsłuchawkowy (głośnomówiący) moduł wewnętrzny,
- możliwość prowadzenia rozmowy pomiędzy modułami zewnętrznym i wewnętrznym,
- możliwość obserwacji osoby dzwoniącej i podglądu tego co dzieje się w polu obserwacji kamery,
- 16 melodii gongu do wyboru,
- bezpośrednie sterowanie ryglem elektromagnetycznym służącym do otwierania drzwi po wywołaniu z zewnątrz lub po wywołaniu funkcji podglądu na monitorze,
- dodatkowy przycisk otwierania bramy wjazdowej/garażowej na monitorze,
- płynna regulacja parametrów monitora (jasność, nasycenie kolorów, głośność),
- podświetlane przyciski funkcyjne,
- małogabarytowa i wandaloodporna kaseta wykonana ze stopu aluminium, lakierowanego- odporna na warunki atmosferyczne,
- możliwość obserwacji w nocy dzięki zastosowaniu 6 diod LED,
- obsługa dwóch wejść,
- daszek ochronny w zestawie,
- prostota obsługi i montażu,
Monitor:
- Napięcie wyjściowe dla rygla elektromagnetycznego: 12 V DC
- Pobór mocy monitora - czuwanie / praca: 0,2 W / 5 W
- Wielkość ekranu monitora: 7”
- Typ ekranu: Kolor TFT-LCD
- Rozdzielczość ekranu: 480 × 234 pikseli
- Ilość wyjść przekaźnikowych: 1
- Ilość melodii gongu: 8
- Głośnomówiący: Tak
- Regulacja głośności: Tak
- Regulacja jasności obrazu: Tak
- Regulacja nasycenia obrazu: Tak
- Temperaturowy zakres pracy monitora: 0ºC ~ +30ºC
- Wymiary monitora (W x SZ x G): 160 x 240 x 17 mm
- Waga netto monitora: 670 g
Unifon głośnomówiący:
- Napięcie zasilania: 12 V DC
- Pobór mocy - czuwanie / praca: 0,2 W / 2 W
- Ilość przewodów łączących: 4
- Ilość obsługiwanych wyjść: 2
- Możliwa rozbudowa: Tak
- Ilość melodii gongu: 1
- Głośnomówiący: Tak
- Napięcie wyjściowe dla elektrozaczepu: 12 V DC (wyjście na bramę)
- Maks. liczba lokatorów: 1
- Materiał obudowy: Stop aluminium, tworzywo sztuczne
- Temperaturowy zakres pracy: 0ºC ~ +55ºC
- Wymiary unifonu (W x SZ x G): 137 x 89 x 23 mm
- Waga netto unifonu: 160 g
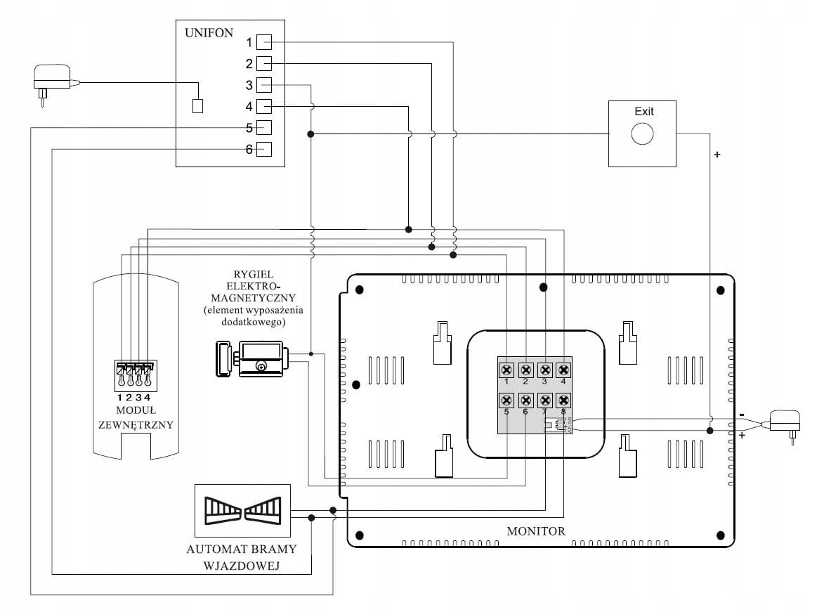
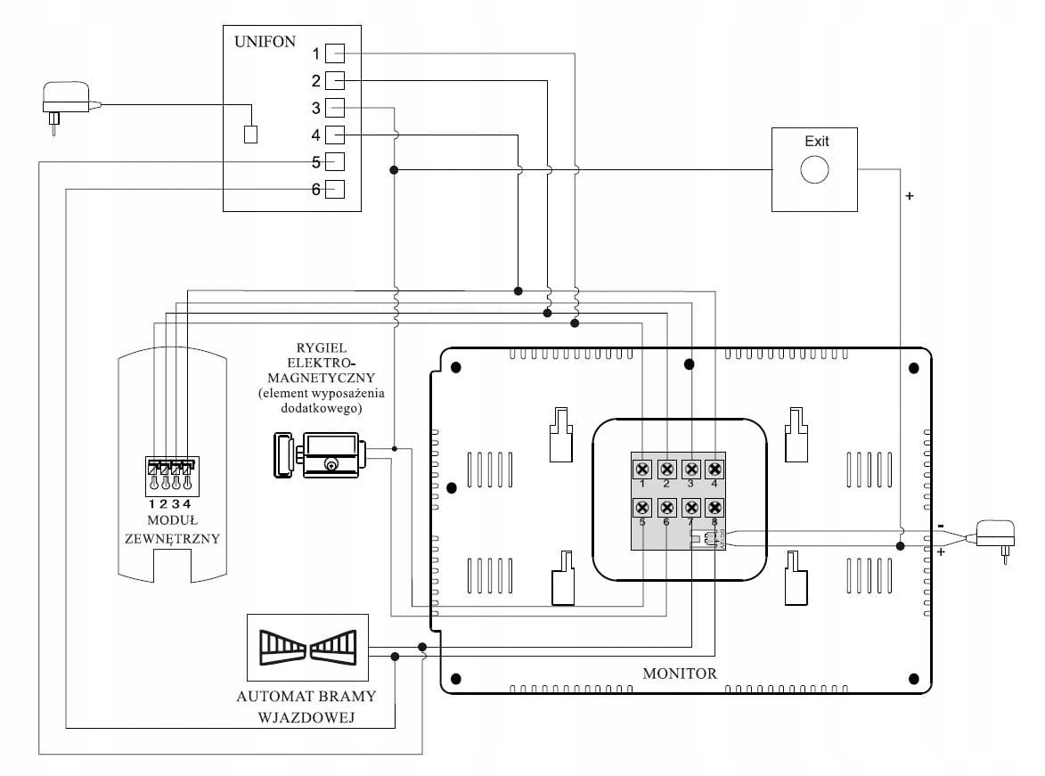
Schemat podłączenia:

